Produkte
Präzisions-Schweizer Bearbeitung
  • Präzisions-Schweizer BearbeitungPräzisions-Schweizer Bearbeitung
  • Präzisions-Schweizer BearbeitungPräzisions-Schweizer Bearbeitung
  • Präzisions-Schweizer BearbeitungPräzisions-Schweizer Bearbeitung
  • Präzisions-Schweizer BearbeitungPräzisions-Schweizer Bearbeitung

Präzisions-Schweizer Bearbeitung

Sanluo Precision ist ein führender Hersteller und Lieferant von Präzisions-Swiss-Bearbeitung in China mit umfassender technischer Kompetenz in der hochpräzisen Bearbeitung von Swiss-Typ-Gleitspindelstöcken und bietet seinen Kunden Swiss-Bearbeitungsdienstleistungen im Mikrometerbereich an. Wir bieten professionelle, maßgeschneiderte Schweizer Bearbeitungsdienstleistungen für die Luft- und Raumfahrt, medizinische Implantation, optische Instrumente, High-End-Elektronik und andere Bereiche und unterstützen die kundenspezifische Anpassung komplexer und schwieriger Teile. Wir realisieren die Herstellung von Kleinteilen mit höchster Präzision und erfüllen dabei vollständig die strengen Anforderungen der High-End-Fertigung für die Präzisionsbearbeitung nach Schweizer Art.

Präzisionsbearbeitungskapazität

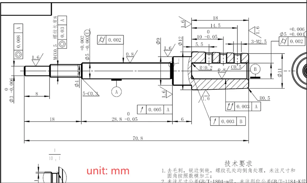
Unsere Verarbeitungsanlage hat in Bezug auf die Präzisionssteuerung der Schweizer Präzisionsbearbeitung das höchste Niveau der Branche erreicht. Maßgenauigkeit: Durchmessertoleranz ±0,002 mm, Längentoleranz ±0,005 mm, Stufenhöhentoleranz ±0,008 mm, Passgenauigkeit H6/h5-Klasse. Geometrische Genauigkeit: Rundheit 0,003 mm, Zylindrizität 0,005 mm, Konzentrizität 0,005 mm, Rechtwinkligkeit 0,008 mm, Rundlauf 0,01 mm. Oberflächenqualität: Oberflächenrauheit Ra0,2~0,8μm, Präzisionspolieren Ra0,1μm oder so, nahezu spiegelglatt. Wiederholgenauigkeit: Dimensionskonsistenz bei Stapelverarbeitung ±0,003 mm, CPK≥2,0, Six-Sigma-Fähigkeit 6σ. Gerätegenauigkeit: Spindelrotationsgenauigkeit 0,001 mm, Führungsbuchsenrundlauf 0,002 mm, Positionierungsgenauigkeit ±0,001 mm, wiederholte Positionierung ±0,0005 mm. Umweltkontrolle: Werkstatt mit konstanter Temperatur von 20 ± 0,5 °C und einer Luftfeuchtigkeit von 50 ± 3 %, um thermische Verformungen zu verhindern und Präzision sicherzustellen.


Präzisions-Schweizer Bearbeitungsstation. Genauigkeit

Maßhaltigkeit

OD

AUSWEIS

T(C)

DP

DA

Einheit: ±/mm

0.002

0.002

0.005

0.002

0.0001

Geometrische Genauigkeit

Rundheit

Koaxialität

Geradlinigkeit

Zylindrizität

Kreisschlag

Einheit: ±/mm

0.002

0.003

0.002

0.003

0.002

Produktionskapazität

1~999999 Stk

1~999999 Stk

1~999999 Stk

1~999999 Stk

1~999999 Stk

Produktionszyklus

3-20 Tage

3-20 Tage

3-20 Tage

3-20 Tage

3-20 Tage


Präzisionsgerätetechnik

Als professioneller Hersteller von Schweizer Präzisionsbearbeitung verfügt Sanluo Precision über fortschrittliche Ausrüstung. Führungsbuchsensystem: Hochpräzise Führungsbuchse, Innenlochtoleranz ± 0,005 mm, Wolframkarbidmaterial, gute Verschleißfestigkeit, lange Lebensdauer, Gewährleistung der Bearbeitungsgenauigkeit. Spindelsystem: hydrostatische Lager oder Keramikkugellager, Rotationsgenauigkeit 0,001 mm, Hochgeschwindigkeitsbetrieb ohne Vibration, Temperaturkompensation, automatische Kompensation der thermischen Dehnung der Spindel, stabile Genauigkeit. Erkennungssystem: Online-Erkennung mit Lasersonde, Messgenauigkeit ± 0,001 mm, automatische Kompensation, Regelung; Laser-Werkzeugeinstellgerät, präzise Messung der Werkzeuglänge, Gewährleistung der Konsistenz. Wir bieten professionelle, maßgeschneiderte Schweizer Bearbeitungsdienstleistungen für globale Kunden.


Technische Parameter der Ausrüstung

Parameterkategorie

Parameterdetails

Ausstattungsmodell

MultiSwiss 6X16

Marke

Tornos

Kernpositionierung

Effiziente Massenproduktion komplexer Kleinteile

Anzahl der Achsen und Spindeln

6 Spindeln + 1 optionale Hinterspindel

Bearbeitungskapazität

Maximaler Bearbeitungsdurchmesser 16 mm

Spindelsystem

Jede Spindel steuert unabhängig Geschwindigkeit, Indexierung und C-Achsen-Positionierung; optionale Unterspindel mit maximaler Drehzahl 6000 U/min

Werkzeugsystem

Jede Station bietet Platz für bis zu 4 Werkzeuge, Gesamtkapazität bis zu 18

CNC-System

Tornos TBDECO oder TISIS ISO-Programmiersoftware

Kernvorteile

Mehrspindel-Parallelbearbeitung, Produktionseffizienz um ein Vielfaches höher als bei einachsigen Drehmaschinen; optionale Y-Achsen-Version

Typische Anwendungen

Präzisions-Schweizer Bearbeitungsteile usw


Parameterkategorie

Parameterdetails

Ausstattungsmodell

SB-Serie

Kernpositionierung

Mehrspindlige effiziente Kleinteilebearbeitung

Anzahl der Achsen und Spindeln

3-Achsen, 4-Spindel

Bearbeitungskapazität

Bearbeitungsdurchmesser 16 mm oder 20 mm

Spindelsystem

Spindeldrehzahl 6.000 - 10.000 U/min, Standardleistung 1 kW

Turmsystem

Geneigte Schwalbenschwanz-Führungsschienenstruktur zur Verbesserung der Revolversteifigkeit, 4 Revolvertypen optional

Schlüsselfunktion

Spindel standardmäßig mit C-Achsensteuerung ausgestattet

Kernvorteile

Abwechslungsreiche Bearbeitung durch wechselnde Werkzeugkombinationen, geeignet für die Massenfertigung von Kleinteilen

Typische Anwendungen

Präzisions-Schweizer Bearbeitungsteile usw


Precision Swiss Machining

Precision Swiss MachiningPrecision Swiss Machining

Precision Swiss MachiningPrecision Swiss Machining


Hot-Tags: Präzisions-Schweizer Bearbeitung, Hersteller, kundenspezifisch
Anfrage absenden
Kontaktinformation
Für Anfragen zu unseren Produkten oder unserer Preisliste hinterlassen Sie uns bitte Ihre E-Mail und wir werden uns innerhalb von 24 Stunden bei Ihnen melden.
X
Wir verwenden Cookies, um Ihnen ein besseres Surferlebnis zu bieten, den Website-Verkehr zu analysieren und Inhalte zu personalisieren. Durch die Nutzung dieser Website stimmen Sie der Verwendung von Cookies zu. Datenschutzrichtlinie
Ablehnen Akzeptieren